产品简介:
AHB系列磁滞式制动器用于超过我们标准电动滞后制动器额定功率的应用。 当压缩空气通过附带的管道连接输送时,这些装置可提供出色的散热效果。 单元具有安装底板和端子排接线连接,可简单集成到您的应用中。
工作原理


|
型号 |
额定扭矩 |
额定电流 |
电压 |
线圈电阻 |
额定滑差功率 |
惯性矩 |
峰值 |
重量 |
||||
|
加压缩空气 |
不加压缩空气 |
|||||||||||
|
5分钟 |
持续 |
5分钟 |
持续 |
|||||||||
|
kg·cm |
mA |
VDC |
Q |
watts |
watts |
watts |
watts |
kg·cm² |
rpm |
kg |
||
|
不 |
AHB-202 |
2 |
200 |
24 |
120 |
200 |
200 |
75 |
20 |
6.8 x 10 ¯ ² |
25000 |
0.5 |
|
AHB-502 |
5 |
393 |
24 |
61 |
400 |
400 |
120 |
35 |
1.8x 10 ¯ ¹ |
25000 |
1.35 |
|
|
AHB-103 |
10 |
400 |
24 |
60 |
800 |
800 |
320 |
80 |
1.1 x 10 |
25000 |
1.8 |
|
|
AHB-203 |
20 |
315 |
24 |
76 |
1000 |
800 |
460 |
115 |
3.2 x 10 |
25000 |
3.5 |
|
|
AHB-303 |
30 |
750 |
24 |
32 |
1300 |
1300 |
680 |
165 |
6.8 x 10 |
20000 |
5.2 |
|
|
AHB-503 |
50 |
750 |
24 |
32 |
2300 |
2000 |
1000 |
200 |
1.3× 10 |
15000 |
9.6 |
|
|
AHB-114 |
100 |
1200 |
24 |
20 |
2000 |
1500 |
1200 |
350 |
5.6X 10 |
10000 |
17 |
|
|
带 |
|
kg·cm |
mA |
VDC |
Q |
watts |
watts |
watts |
watts |
kg*cm² |
rpm |
kg |
|
AHB-1 |
10 |
400 |
24 |
60 |
1200 |
1200 |
320 |
80 |
8.7 x 10 ¯ ¹ |
25000 |
2.1 |
|
|
AHB-1.5 |
20 |
315 |
24 |
76 |
1300 |
1300 |
460 |
115 |
2.7 x 10 |
25000 |
3.8 |
|
|
AHB-3 |
30 |
750 |
24 |
32 |
1800 |
1800 |
680 |
165 |
6.8 x 10 |
20000 |
5.7 |
|
|
AHB-5 |
50 |
750 |
24 |
32 |
2500 |
2300 |
1000 |
200 |
1.31 x 10 |
15000 |
10 |
|
|
AHB-6 |
60 |
1500 |
24 |
16 |
3000 |
2800 |
1400 |
225 |
1.38 x 10 ¯ ¹ |
20000 |
11 |
|
|
AHB-10 |
100 |
1500 |
24 |
16 |
3800 |
3500 |
1800 |
280 |
2.62 x 10 |
12000 |
20.6 |
|
|
AHB-11 |
101 |
1200 |
24 |
20 |
2800 |
2500 |
1200 |
350 |
5.60 x 10 |
10000 |
20.2 |
|
|
AHB-12 |
120 |
1200 |
24 |
20 |
2800 |
2500 |
1200 |
350 |
5.60 x 10 |
12000 |
23 |
|
|
AHB-24 |
240 |
2400 |
24 |
10 |
5300 |
3000 |
4000 |
450 |
1.12x 10² |
10000 |
46 |
|

|
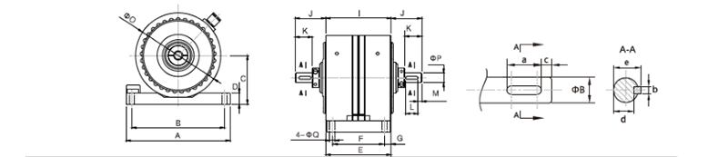
型号 |
A |
B |
C |
D |
E |
F |
G |
H |
1 |
J |
K |
L |
M |
ΦO |
Φp |
ΦQ |
a |
b |
c |
d |
e |
|
AHB-603 |
165 |
150 |
80 |
19 |
105 |
85 |
10 |
75 |
106 |
49.5 |
27.7 |
20 |
6 |
138 |
15 |
8.3 |
20 |
5 |
6 |
12 |
17 |
|
AHB-104 |
220 |
200 |
100 |
25 |
145 |
125 |
10 |
105 |
145 |
59.8 |
38 |
20 |
6 |
158 |
17 |
8.3 |
20 |
5 |
6 |
14 |
20 |
|
AHB-244 |
270 |
250 |
120 |
25 |
143 |
125 |
9 |
125 |
153 |
79.5 |
47.1 |
25 |
12.5 |
226 |
25 |
8.3 |
25 |
8 |
12.5 |
21 |
28 |
张力测控2019年11月团建|给自己定个小目标,先拿下这一局! 张力测控2019团建在...
2019年11月4日-6日第二十四届中国(国际)小电机技术研讨会暨展览会在上海光大...
6月3日TTI 马达工程部工程师一行4人亲临我市考查并现场对他们提供的马达进行...
5月月8日至10日,东莞张力测控参加了第十七届深圳国际电机展会并取得圆满成...
张力测控-致力于成为电机测试方案的首选供应商5月16日 5月月13日,来自欧洲第...





